Product
Home » Product » Plastic packaging of infrared receiver head » CHQ0038D

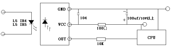
1.光电参数(T=25℃ Vcc=5v f0=38KHZ)
| 参数 | 符号 | 测试条件 | Min | Typ | Mnx | 单位 |
| 工作电压 | Vcc | 2.7 | 5.5 | V | ||
| 接收距离 | L | L5IR=300MA (测试信号) | 10 | 25 | M | |
| 载波频率 | f0 | 38 | KHZ | |||
| 接收角度 | 01/2 | 距离衰减1/2 | +/-45 | Deg | ||
| BMP宽度 | FBW | -3Db Band width | 3.5 | 6.0 | 8.5 | kHz |
| 静态电流 | Icc | Iin=0μA,Vcc=3V | - | 0.9 | 1.5 | mA |
| Iin=0μA,Vcc=5V | - | 1.0 | 1.5 | mA | ||
| 低电平输出 | VOL | Vin=0V Isink=2.0mA | 0.2 | 0.4 | V | |
| 高电平输出 | VOH | VCC=3V | 2.7 | 3.0 | - | V |
| Vcc=5V | 4.7 | 5.0 | - | V | ||
| 输出脉 宽度 | TPWL | Vin=500μVp-p※ | 500 | 600 | 700 | μs |
| TPWH | Vin=50mVp-p※ | 500 | 600 | 700 | μs |
2.测试波型:

3.极限参数:
| 项目 | 符号 | 规格 | 单位 |
| 供应电压 | Vcc | 5.5 | V |
| 工作温度 | Topr | -25-85 | ℃ |
| 储存温度 | Tstg | -40-125 | ℃ |
| 焊接温度 | Tsol | 280 | ℃ |

Official QR code